DB中国旗舰官方网站生产网板式阶梯格栅,砂水分离器,PAM加药装置,产品质量好 |
|
|
|
 |
| |
DB中国旗舰官方网站
史经理 15906151243
邵经理 15301530861
电话:0510-87830610
传真:0510-87831340
网址:https://www.daxue-sheng.com
邮箱:hopehb@126.com
地址:江苏省宜兴市高塍镇塍文路18号 |
|
| |
|
|
PAM加药装置
|
|
|
|
|
概述:
|
|
PAM加药装置是一个自动、连续式的絮凝剂溶配装置,配制溶液范围为0-5000升/时,浓度为0.1%-0.3%。
干粉絮凝剂从螺旋推进器内进入速溶器内与清水进行预混,被湿润的物料进入配制槽进行搅拌稀释,按要求浓度进行配制;配制过程中,进水量在流量计观测下必须相对稳定,从而保证在整个工作工程中,配制溶液浓度不变。
配制溶液从配制槽经熟化槽再进入储存槽,当储存槽液位处于高位时,配置过程自动停止,加药液过程继续,当溶液下降到中液位时,重新自动启动配料过程。配制槽和熟化槽均设置搅拌器,充分保证絮凝剂的稀释和熟化。另外,储存槽溶液不足时会触及下液位报警系统,所有系统均停止并报警。本装置是由具有自动化程度高、性能稳定、工作可靠、操作简单等特点。
|
|
|
|
产品特点: |
|
1、自动化程度高、操作简单方便;
2、系统稳定可靠,有故障时相关设备会自动按要求停止,同时发出报警信号;
3、采用螺旋给料器投加粉体,可手动调速,保证投料均匀、分散、精度高;
4、在规定的生产量及连续投液条件下,其配置浓度为0.1%-0.5%;
5、干粉不足、药液不足时均能发出报警信号;
6、采用微型振动马达防干粉仓内架桥;
7、预混器加速粉料的水化作用。
|
|
|
|
设备配置说明: |
|
表23-1 配置说明
|
|
标准配置
|
9、进水流量计(管式)
|
|
1、三腔式预调、熟化、成药箱体
|
10、进水电磁阀
|
|
2、干粉投加箱
|
11、管阀件组合
|
|
3、干粉速溶装置
|
12、控制箱子(本地控制含远程控制接口)
|
|
4、手调式干粉加药器
|
可选配置
|
|
5、干粉仓振动器
|
1、药粉加热装置
|
|
6、干粉断料报警器
|
2、进水电磁流量计
|
|
7、混合搅拌机
|
3、高浓度液态稀释系统
|
|
8、成药液位控制器
|
4、药液投加泵
|
|
|
|
|
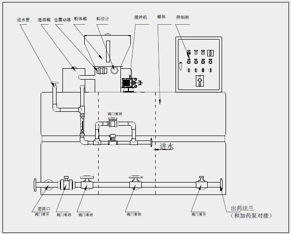
外形示意图: |
|
|
|
|
|
|
|
技术参数表: |
|
表23-2 主要技术参数
|
|
|
|
型号
|
泡药量 (L/H)
|
箱体有效总体积 (m3)
|
总功率 (kw)
|
|
TBAD1000
|
1000
|
1.5
|
2
|
|
TBAD 1500
|
1500
|
2
|
2.8
|
|
TBAD 2000
|
2000
|
2.5
|
2.8
|
|
TBAD 2500
|
2500
|
3
|
3.85
|
|
TBAD 3000
|
3000
|
3.5
|
3.85
|
|
TBAD 3500
|
3500
|
4
|
3.85
|
|
TBAD 4000
|
4000
|
4.5
|
5.05
|
|
|
|
|
|
|
|
|
|